Конкурс начальному техническому моделированию «Путешествие в Техноград» в учреждении дополнительного образования
Муниципальное бюджетное учреждение дополнительного образования
Центр внешкольной работы г.Белорецк
муниципального района Белорецкий район РБ
Разработка внеклассного мероприятия:
Конкурс начальному техническому моделированию «Путешествие в Техноград»
в учреждении дополнительного образования
выполнила:
Бармина Татьяна Авенировна
методист,
МБУ ДО ЦВР г.Белорецк
МР Белорецкий район РБ
Белорецк,2021
Изобретательская задача-2021
Времена Петра Первого. Солдаты после еды вытирали рукавом рот, а при насморке – нос.
Как отучить солдат не портить мундирское сукно?
Графический конкурс-2021
1.Чем похожи и чем отличаются друг от друга куб и параллелепипед?
Элементы (названия) | куб | параллелепипед |
вершина | ||
ребра | ||
грани | ||
Форма граней |
2. Рассмотри рисунки. Распредели предметы по группам.

3.Какие буквы русского алфавита напоминают три вида модели из проволоки ,изогнутой по направлению ребер куба.

4. Кто из математиков древности погиб от руки римского солдата, гордо воскликнув: «Не смей трогать мои чертежи!»?

5. Выбери правильный вариант, как домик выглядит с каждого ракурса.

6.Найти вырезанные куски среди фигур

7. На дворе у дома лежали бочки и ящики. Пошел дождь. После дождя хозяин решил убрать их в сарай. После бочек и ящиков на земле остались следы. Сколько было бочек и сколько ящиков?

8Можно ли по этим рисункам определить-какие столбики освещаются солнцем, а какие фонарем.Поясните свой ответ.
.

Команда______________________________________________________________
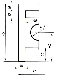
9. Конкурс «Дочерти половинку». Предлагается выполнить чертеж детали по чертежу , где представлена только одна половинка изображения

10. Укажи название линий

Графический конкурс-2021 (ответы)
1.Чем похожи и чем отличаются друг от друга куб и параллелепипед?
Элементы (названия) | куб | параллелепипед |
вершина | ||
ребра | ||
грани | ||
Форма граней |
Ответы:
Элементы (названия) | куб | параллелепипед |
вершина | 8 | 8 |
ребра | 12 | 12 |
грани | 6 | 6 |
Форма граней | квадраты | Прямоугольники и квадраты |
3.Рассмотри рисунки. Распредели предметы по группам.

Ответы:
Шар – мяч, арбуз, глобус, шар
Куб – подарочная коробка, кубик-рубик, игральная кость
Брус – ящик, сундук, тумбочка
4.Какие буквы русского алфавита напоминают три вида модели из проволоки ,изогнутой по направлению ребер куба.

Ответ: Вид модели спереди напоминает букву И, вид слева-букву О и вид сверху –букву П

5.Кто из математиков древности погиб от руки римского солдата, гордо воскликнув: «Не смей трогать мои чертежи!»? (архимет)

6.Выбери правильный вариант, как домик выглядит с каждого ракурса.

Ответ:

7.

Ответ:2 и 3
8. На дворе у дома лежали бочки и ящики. Пошел дождь. После дождя хозяин решил убрать их в сарай. После бочек и ящиков на земле остались следы. Сколько было бочек и сколько ящиков?

Ответ:4 бочки и 3 ящика
9.Можно ли по этим рисункам определить-какие столбики освещаются солнцем,а какие фонарем. Поясните.
9.
Тени»
Решая эту задачу, обучающиеся в тоже время учатся логически мыслить. Рассуждения их будут примерно такими: на рисунке
А) видно, что тени от столбиков не параллельны, следовательно тени отбрасываются неким ближним источником–фонарем. Если соединить вершины теней и столбиков лучами и продолжить то они пересекутся в одной точке. Значит, эти тени от фонаря. Во втором рисунке.
Б) Тени параллельны. А это результат «работы» параллельных лучей, которые не пересекаются или пересекаются в бесконечности. Значит, это тени от солнца. Такое рассуждение повышает интерес к теме, усвоение её облегчается.
5 . Конкурс «Дочерти половинку» Учащимся предлагается выполнить чертеж детали по чертежу , где представлена только одна половинка изображения


Ответ:

Изобретательская задача-2021
Времена Петра Первого. Солдаты после еды вытирали рукавом рот, а при насморке – нос.
Как отучить солдат не портить мундирское сукно?
Ответ:
Указ Петра Первого, предписывал пришивать оловянные пуговицы к обшлагам рукавов солдатских мундиров с внешней стороны
Список источников литературы
1.Введение в ТРИЗ. Основные понятия и подходы. Издание офицального Фонда.Г.С АльтшуллераURL:htt://www.altshuller.ru/e-books(Дата обращения: 13.01.2020г)
2.Воротников И.А. Занимательное черчение Москва «Просвещение»1990г
3.Хотите стать изобретателем// Левша -2019-№5
4 Хотите стать изобретателем //Левша-2019-№8
Чтобы оставлять комментарии, вам необходимо авторизоваться на сайте. Если у вас еще нет учетной записи на нашем сайте, предлагаем зарегистрироваться. Это займет не более 5 минут.