План-конспект занятия на тему: «Макетирование и изготовление электронных устройств на светодиодах»
Муниципальное бюджетное учреждение дополнительного образования
Центр детского (юношеского) научно-технического творчества
План-конспект занятия
По дисциплине «Радиоэлектроника»
на тему: «Макетирование и изготовление электронных устройств на светодиодах»
Выполнил:
пдо Глущенко М.И.
Армавир,
2026 г
Тема занятия: Макетирование и изготовление электронных устройств на светодиодах
Цель: - познакомить обучающихся с технологией изготовления и макетирования электронных устройств на светодиодах
Задачи:
- знакомство с схемами электронных устройств на светодиодах»;
- изучение проектирования и изготовления симметричного мультивибратора на светодиодах;
- закрепление полученных знаний при выполнении практических заданий.
- познакомить учащихся принципиальными и монтажными схемами устройств;
-научить разрабатывать печатные платы на основе принципиальных схем;
-научить учащихся работать с слесарно-монтажным оборудованием при изготовлении печатных плат;
- научить учащихся технике травления печатных плат хлорным железом;
- развитие индивидуальных и творческих способностей, обучающихся;
Оборудование:
Блоки питания с защитой от короткого замыкания, паяльниками с устройствами индикации неисправности и возможностью перевода его в дежурный режим, сверлильный станок, слесарные тиски.
Материалы и инструменты: раздаточный материал, приборы для измерения: мультиметр, текстолит, маркер для травления плат, ножницы по металлу, ножницы, клей-карандаш, наждачная бумага, хлорное железо, набор радиодеталей необходимых для сборки электронных устройств на светодиодах.
Ходзанятия.
Организационный момент
Подготовка рабочего места. ТБ на рабочем месте.
2.Повторение пройденного материала
Мультивибратор— релаксационный генератор электрических прямоугольных колебаний с короткими фронтами. Существует три типа мультивибраторов в зависимости от режима работы:
нестабильный, автоколебательный или астабильный:
устройство непрерывно генерирует колебания и самопроизвольно переходит из одного состояния в другое. При этом не обязателен внешний сигнал синхронизации, если не требует захват частоты колебаний.
моностабильный: одно из состояний является стабильным, но другое состояние неустойчиво (переходное). Мультивибратор на некоторое время, определяемое парамаметрами его компонентов, переходит в неустойчивое состояние под действием запускающего импульса. Такие мультивибраторы используются для формирования импульса с фиксированной длительностью, не зависящей от длительности запускающего импульса. Такой тип мультивибраторов называют одновибраторы или ждущие мультивибраторы.
бистабильный: мультивибратор устойчив в любом из двух состояний и может быть переключен из одного состояния в другое подачей внешних импульсувов. Такие устройства называют бистабильными триггерами.
Одной из очень известных и часто применяющихся в электронике схем, является симметричный мультивибратор, который представляет собой электронное устройство вырабатывающие (генерирующее) колебания по форме, приближающиеся к прямоугольной.
Мультивибратор собирается на двух транзисторах или логических схемах с дополнительными элементами. По сути это двухкаскадный усилитель с цепью положительной обратной связи. Это значит, что выход второго каскада соединен через конденсатор с входом первого каскада. В результате усилитель за счет положительной обратной связи превращается в генератор.
3. Знакомство с новым материалом.
Освоение учащимися навыков самостоятельной творческой работы в области проектирования и изготовленияэлектронных устройств на светодиодах.
Задачи:
Ознакомление учащихся с техникой проектирования и изготовления устройства симметричного мультивибратора, в данном случае устройства симметричного мультивибратора на светодиодах.
развить практические навыки в избранной области деятельности;
способствовать к техническому профессиональному самоопределению;
развивать профессиональное и конструкторское мышление.
В результате обучения учащиеся должны знать:
работу схемы устройства;
как составить принципиальную схему устройства симметричного мультивибратора.
Должны уметь:
уметь разрабатывать печатную плату по принципиальной схеме устройства симметричного мультивибратора;
самостоятельно собирать данное устройство;
самостоятельно отлаживать и находить неполадки в работе устройства.
Описание макетирования и изготовления электронного устройства на светодиодах.
Устройство мультивибратора позволяет наглядно изучить принцип работы транзисторов, резисторов, конденсаторов и светодиодов.

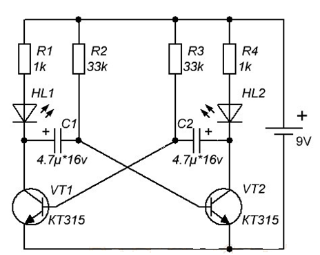
Рис. 1 Принципиальная электрическая схема устройства.
Эта схема представляет собой симметричный мультивибратор, частота которого зависит от номиналов конденсаторов С1, С2, а так же от резисторов R1,R2. Частота поочередного мигания светодиодов соответственно, зависит от частоты мультивибратора, которую в свою очередь можно менять подбором конденсаторов С1, С2 и резисторов R1,R2. Транзисторы VT1,VT2, группы КТ и могут быть КТ3102, с любым буквенным индексом. Светодиоды могут быть любые, кроме инфракрасных. Применяется данная схема в различных устройствах как элемент световой индикации.

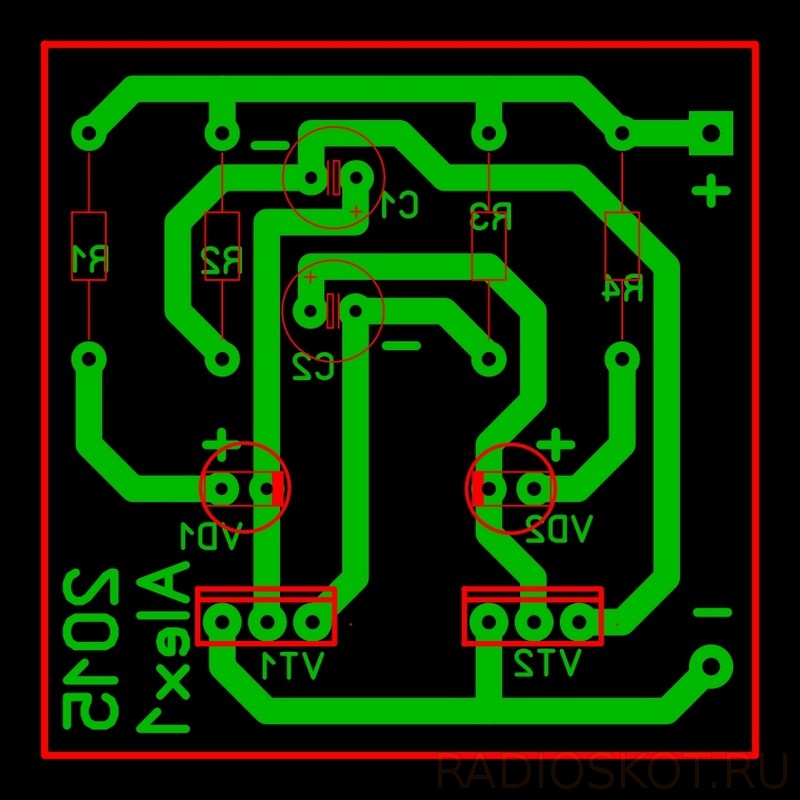
Рис. 2 Монтаж печатной платы устройства.

Рис. 3 Фото печатной плата устройства.

Рис.4 Фото устройства.
Инструктаж по технике безопасности.
Давайте повторим технику безопасности на занятиях.
Требования безопасности перед началом работы:
Требования безопасности во время работы:
- содержите в порядке и чистоте рабочее место, не допускайте загромождения его инструментами;
- будьте внимательны, не отвлекайтесь и не мешайте другим;
- не размахивайте рукой с инструментом, не кладите его на край стола;
- положение тела при работе должно быть удобным, расстояние до выполняемой работы должно быть 25-30 см;
- в случае плохого самочувствия прекратите работу, поставьте в известность педагога.
Требования безопасности по окончании работы:
- приведите в порядок рабочее место; уберите инструменты и материалы. Отключите все электроприборы, следите за правилами пользования электрическим паяльником во избежание короткого замыкания.
Приступим к выполнению работы.
Зная последовательность выполнения работы, можем приступить к ее выполнению. По ходу выполнения работы даются советы, и оказывается помощь учащимся.
4.Итог занятия.
Презентация электронных устройств на светодиодах рекомендованные педагогом и под его контролем.
Список литературы.
Подшивки журнала “Радио”;
Миловзоров О.В., Панков И.Г. “Основы электроники”-М. Учебник для СПО, 2024 г.
Куликов С.В. Управляемые мультивибраторы на транзисторах.- М.: Энергия, 2024;
Осадченко В.Х., Волкова Я.Ю., Германенко А.В., Зеленский П.С., “Базовые элементы цифровой техники”-Екатеринбург. Учебно-методическое пособие, 2024 г.
Флориан Шеффер. “Электроника для детей”.-М. Издательство ДМК 2019.
Мальцев Л.А. “Основы цифровой электроники” МРБ.;
Борноволоков Э. П. В помощь радиолюбителю – М.:2024;
Гитцевич А. Б., Зайцев А. А., Мокряков В. В., и др.; Под ред. Голомедова А. В.- М.: Радио и связь, 2024;
Приложение 1
Презентация к занятию Тема занятия: Понятие об электрическом токе.
Постоянный ток.

Рис. 2 Фото спереди устройства.
Рис. 2 Фото сзади устройства.
Чтобы оставлять комментарии, вам необходимо авторизоваться на сайте. Если у вас еще нет учетной записи на нашем сайте, предлагаем зарегистрироваться. Это займет не более 5 минут.