КОНТРОЛЬНО-ИЗМЕРИТЕЛЬНЫЕ МАТЕРИАЛЫ ДЛЯ ПРОВЕДЕНИЯ ПРОМЕЖУТОЧНОЙ АТТЕСТАЦИИ УЧЕБНОЙ ДИСЦИПЛИНЫ ОП 16 Программирование на оборудовании с ЧПУ
Министерство образования и молодежной политики Свердловской области
Государственное автономное профессиональное образовательное учреждение
Свердловской области «Уральский политехнический колледж – Межрегиональный центр компетенций»
КОНТРОЛЬНО-ИЗМЕРИТЕЛЬНЫЕ МАТЕРИАЛЫ ДЛЯ ПРОВЕДЕНИЯ ПРОМЕЖУТОЧНОЙ АТТЕСТАЦИИ УЧЕБНОЙ ДИСЦИПЛИНЫ
ОП 16 Программирование на оборудовании с ЧПУ
для специальности (профессии)
15.02.09 Аддитивные технологии
Екатеринбург
2024 год
Контрольно-измерительные материалы рассмотрены предметно-цикловой комиссией аддитивных технологий и композитных материалов Председатель предметно-цикловой комиссии ________________Е.Д. Одинцева Протокол № _____ от «___»_____________20___г. | Контрольно-измерительные материалы учебной дисциплины разработаны на основе рабочей программы ОП 16, Программирование на оборудовании с ЧПУ по специальности (профессии) 15.02.09 Аддитивные технологии |
Разработчик:Карпов Артем Владимирович, ГАПОУ СО «Уральский политехнический колледж - МЦК»
Согласование контрольно-измерительных материалов ОП 16 Программирование на оборудовании с ЧПУ пройдено.
СОГЛАСОВАНО:
Заведующий отделением разработки образовательных программ учебного центра ГАПОУ СО "Уральский политехнический колледж-МЦК" _________________ И.С.Чинёнова «____» ____________ 20___ г. |
Методист ________________________ Ф.И.О.
«___»_______________20___г.
Контрольно-измерительные материалы для проведения промежуточной аттестации учебной дисциплины (междисциплинарного курса)
ОП 16 Программирование на оборудовании с ЧПУ
Дифференцированный зачет
Форма проведения: письменная;
Условия выполнения
Время выполнения задания: 90 минут
Оборудование учебного кабинета: Персональный компьютер, эмулятор стойки SIEMENS 840D, ученический стол.
Технические средства обучения: -
Информационные источники: -
Требования охраны труда: ИОТ №017-2020
Оценки запланированных результатов по учебной дисциплине (междисциплинарного курса)
Результаты обучения | Критерии оценки |
Личностные результаты (ЛР) | |
ЛР 5 Демонстрирующий приверженность к родной культуре, исторической памяти на основе любви к Родине, родному народу, малой родине, принятию традиционных ценностей многонационального народа России. | При ответах на вопросы демонстрирует приверженность к родной культуре, исторической памяти на основе любви к Родине, родному народу, малой родине, принятию традиционных ценностей многонационального народа России. |
ЛР 6 Проявляющий уважение к людям старшего поколения и готовность к участию в социальной поддержке и волонтерских движениях. | При ответах на вопросы проявляет уважение к людям старшего поколения и готовность к участию в социальной поддержке и волонтерских движениях. |
Знания (З), умения (У) | |
З1 правила подготовки к работе и содержания рабочих мест оператора станка с программным управлением, требования охраны труда, производственной санитарии, пожарной безопасности и электробезопасности; | Рассказывает правила подготовки к работе и содержания рабочих мест оператора станка с программным управлением, требования охраны труда, производственной санитарии, пожарной безопасности и электробезопасности; |
З2 устройство и принципы работы металлорежущих станков с программным управлением, правила подналадки; | Покрывает устройство и принципы работы металлорежущих станков с программным управлением, правила подналадки; |
З3 наименование, назначение, устройство и правила применения приспособлений, режущего и измерительного инструмента; | Формулирует и объясняет наименование, назначение, устройство и правила применения приспособлений, режущего и измерительного инструмента; |
З4 правила определения режимов резания по справочникам и паспорту станка; | Владеет правилами определения режимов резания по справочникам и паспорту станка; |
З5 правила проведения анализа и выбора готовых управляющих программ; | Владеет правилами проведения анализа и выбора готовых управляющих программ; |
У1 осуществлять подготовку к работе и обслуживание рабочего места оператора станка с программным управлением в соответствии с требованиями охраны труда, производственной санитарии, пожарной безопасности и электробезопасности; | Способен осуществлять подготовку к работе и обслуживание рабочего места оператора станка с программным управлением в соответствии с требованиями охраны труда, производственной санитарии, пожарной безопасности и электробезопасности; |
У2 выбирать и подготавливать к работе универсальные, специальные приспособления, режущий и контрольно-измерительный инструмент; | Способен выбирать и подготавливать к работе универсальные, специальные приспособления, режущий и контрольно-измерительный инструмент; |
У3 определять режим резания по справочнику и паспорту станка; | Владеет правилами определения режимов резания по справочнику и паспорту станка; |
Осваиваемые элементы ОК 1. Понимать сущность и социальную значимость своей будущей профессии, проявлять к ней устойчивый интерес. | Понимает сущность и социальную значимость своей будущей профессии, проявлять к ней устойчивый интерес. |
Осваиваемые элементы ОК 2. Организовывать собственную деятельность, выбирать типовые методы и способы выполнения профессиональных задач, оценивать их эффективность и качество. | Организовывает собственную деятельность, выбирать типовые методы и способы выполнения профессиональных задач, оценивать их эффективность и качество. |
Осваиваемые элементы ОК 3. Принимать решения в стандартных и нестандартных ситуациях и нести за них ответственность. | Принимает решения в стандартных и нестандартных ситуациях и несет за них ответственность. |
Осваиваемые элементы ОК 4. Осуществлять поиск и использование информации, необходимой для эффективного выполнения профессиональных задач, профессионального и личностного развития. | Осуществляет поиск и использование информации, необходимой для эффективного выполнения профессиональных задач, профессионального и личностного развития. |
Осваиваемые элементы ОК 5. Использовать информационно-коммуникационные технологии в профессиональной деятельности. | Использует информационно-коммуникационные технологии в профессиональной деятельности. |
Осваиваемые элементы ОК 6. Работать в коллективе, эффективно общаться с коллегами, руководством, подчиненными. | Работает в коллективе, эффективно общаться с коллегами, руководством, подчиненными. |
Осваиваемые элементы ОК 7. Брать на себя ответственность за работу членов команды (подчиненных), результат выполнения заданий. | Берет на себя ответственность за работу членов команды (подчиненных), результат выполнения заданий. |
Осваиваемые элементы ОК 8. Самостоятельно определять задачи профессионального и личностного развития, заниматься самообразованием, осознанно планировать повышение квалификации. | Самостоятельно определяет задачи профессионального и личностного развития, занимается самообразованием, осознанно планирует повышение квалификации. |
Осваиваемые элементы ОК 9. Ориентироваться в условиях смены технологий в профессиональной деятельности. | Ориентируется в условиях смены технологий в профессиональной деятельности. |
Осваиваемые элементы ОК 10. Проявлять гражданско-патриотическую позицию, демонстрировать осознанное поведение на основе традиционных общечеловеческих ценностей, применять стандарты антикоррупционного поведения. | Проявляет гражданско-патриотическую позицию, демонстрирует осознанное поведение на основе традиционных общечеловеческих ценностей, применяет стандарты антикоррупционного поведения. |
Осваиваемые элементы ОК 11. Использовать знания по финансовой грамотности, планировать предпринимательскую деятельность в профессиональной сфере. | Использует знания по финансовой грамотности, планирует предпринимательскую деятельность в профессиональной сфере. |
Осваиваемые элементы ПК.4.1 Осуществлять подготовку и обслуживание рабочего места для работы на металлорежущих станках различного вида и типа (сверлильных, токарных, фрезерных, копировальных, шпоночных и шлифовальных) . | Демонстрирует компетентность в осуществлении подготовки и обслуживание рабочего места для работы на металлорежущих станках различного вида и типа (сверлильных, токарных, фрезерных, копировальных, шпоночных и шлифовальных) . |
Осваиваемые элементы ПК 4.2 Осуществлять подготовку к использованию инструмента, оснастки, подналадку металлообрабатывающих станков различного вида и типа (сверлильных, токарных, фрезерных, копировальных, шпоночных и шлифовальных) в соответствии с полученным заданием. | Демонстрирует компетентность в осуществлении подготовки к использованию инструмента, оснастки, подналадки металлообрабатывающих станков различного вида и типа (сверлильных, токарных, фрезерных, копировальных, шпоночных и шлифовальных) в соответствии с полученным заданием. |
Осваиваемые элементы ПК 4.3 Определять последовательность и оптимальные режимы обработки различных изделий на металлорежущих станках различного вида и типа (сверлильных, токарных, фрезерных, копировальных, шпоночных и шлифовальных) в соответствии с заданием. | Демонстрирует компетентность в определении последовательности и определении оптимальных режимов обработки различных изделий на металлорежущих станках различного вида и типа (сверлильных, токарных, фрезерных, копировальных, шпоночных и шлифовальных) в соответствии с заданием. |
Осваиваемые элементы ПК 4.4 Вести технологический процесс обработки и доводки деталей, заготовок и инструментов на металлорежущих станках различного вида и типа (сверлильных, токарных, фрезерных, копировальных, шпоночных и шлифовальных) с соблюдением требований к качеству, в соответствии с заданием и с технической документацией. | Демонстрирует компетентность в ведении технологического процесса обработки и доводки деталей, заготовок и инструментов на металлорежущих станках различного вида и типа (сверлильных, токарных, фрезерных, копировальных, шпоночных и шлифовальных) с соблюдением требований к качеству, в соответствии с заданием и с технической документацией. |
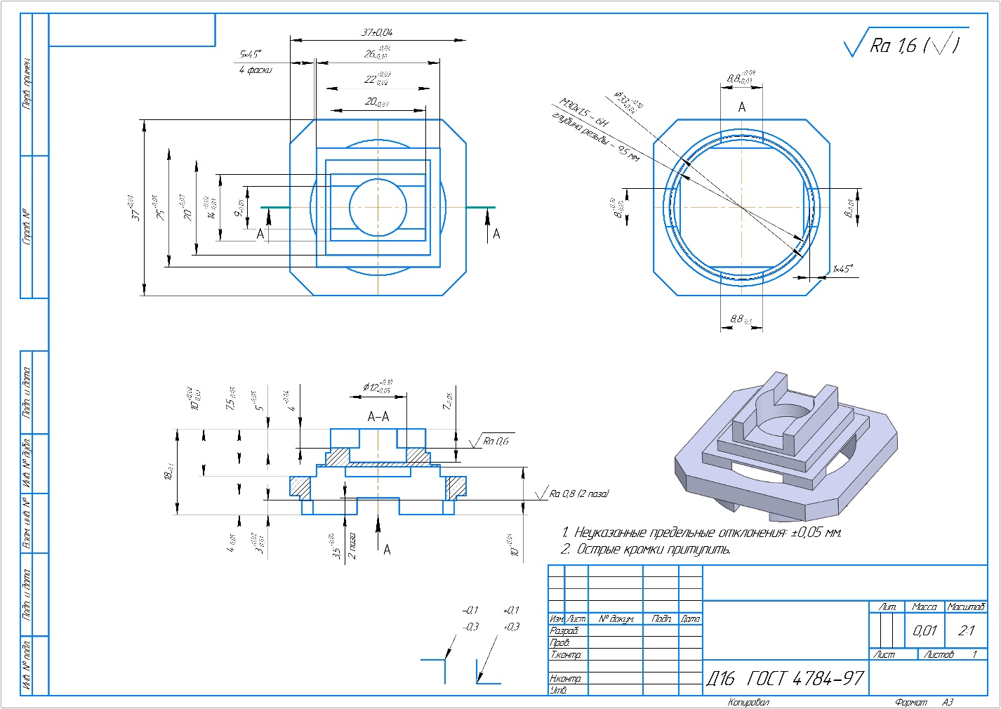
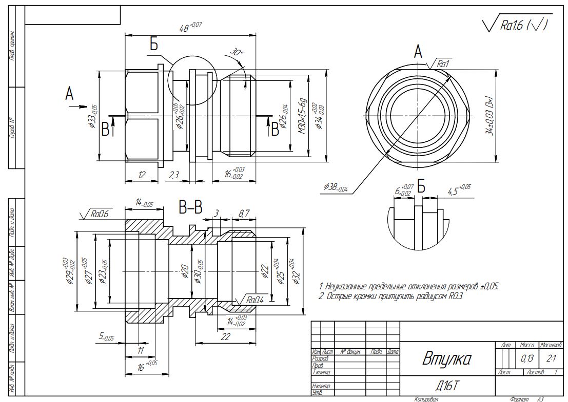
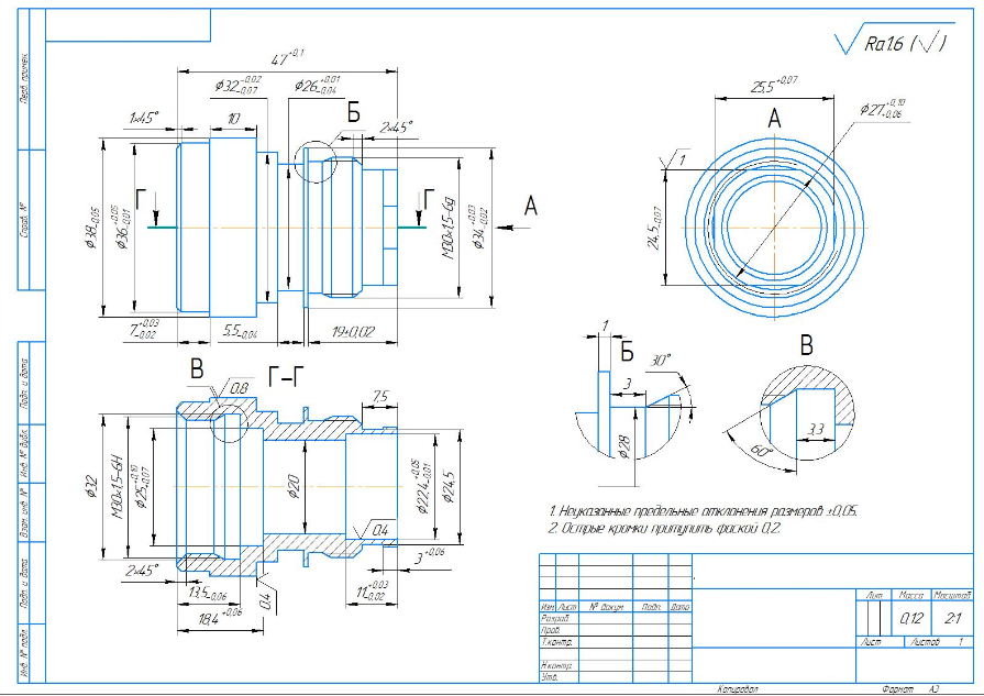
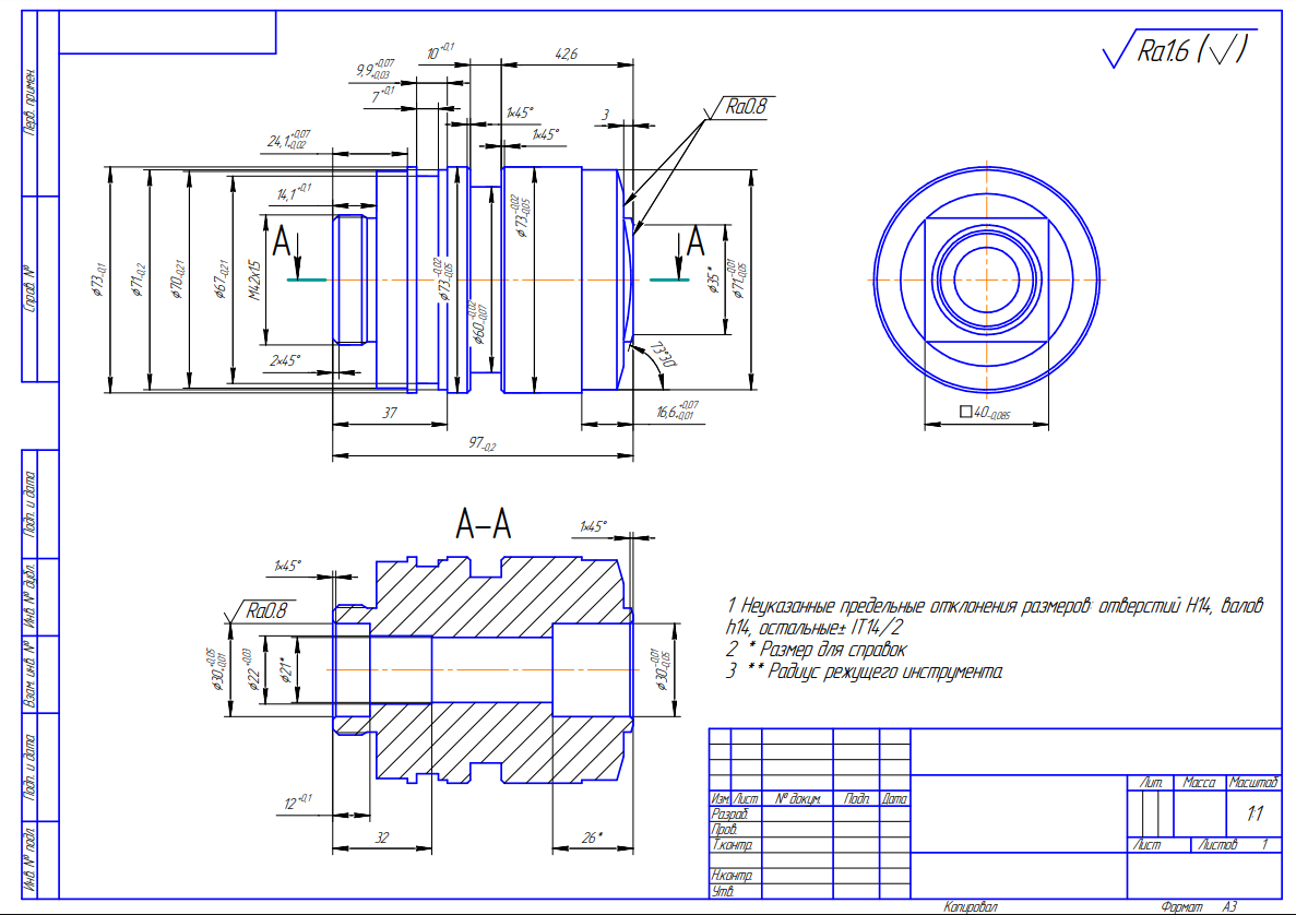
Образец задания:
1.Написание управляющей программы на токарном / фрезерном станке с ЧПУ
a.Проанализировать чертеж детали
b.Создать режущий инструмент
c.Написать управляющую программу для изготовления детали

Пакет материалов для проведения дифференцированного зачета:
Комплект вариантов практико-ориентированных заданий;
Журнал учебной группы
Зачетная ведомость
Критерии оценивания:
Отметка «5» - Ставится при наборе обучающимся от 12 до 14 баллов согласно схеме оценки
Отметка «4» - Ставится при наборе обучающимся от 10 до 11,99 баллов согласно схеме оценки
Отметка «3» - Ставится при наборе обучающимся от 7 до 9,99 баллов согласно схеме оценки
Отметка «2» - Ставится при наборе обучающимся от 0 до 7 баллов согласно схеме оценки
Таблица 1 - Критерии оценок фрезерных деталей
№ | Критерий | Макс балл |
|
|
|
1 | Элементы в программе написаны по среднему значению поля допуска | 1,5 |
|
|
|
2 | Расположение нулевой точки выбрано корректно | 0,5 |
|
|
|
3 | При симуляции программы все основные элементы (все кроме фасок) выполнены полностью (на обеих сторонах) | 3 |
| 3 - Выполнены все элементы |
|
| 1,25 - некоторые элементы не выполнены |
|
| 0- Отсутствует значительное количество элементов |
|
|
|
|
4 | При симуляции программы все фаски выполнены полностью | 1 |
|
|
|
5 | В программе имеется чистовая обработка там, где это необходимо | 1,5 |
| 1,5- Чистовая обработка имеется везде где это необходимо |
|
| 1- Чистовая обработка имеется на некоторых поверхностях |
|
| 0- Чистовая обработка в программе отсутствует |
|
|
|
|
6 | В программе имеется операция торцевания | 0,75 |
|
|
|
7 | Выбрана наилучшая стратегия для снятия основной массы материала | 1,5 |
| 1,5- Обработка ведется с использованием контуров |
|
| 0,75- Обработка ведется с использованием цапфы |
|
| 0- Выбрана чистовая стратегия |
|
|
|
|
8 | Выбрана наилучшая стратегия для обработки отверстий | 1 |
| 1,5- Выбрана стратегия в плоскости из центра наружу |
|
| 0,75- Выбрана спиральная стратегия |
|
| 0- Производится сверление или засверливание карманов |
|
|
|
|
9 | В программе минимизировано количество смен инструмента | 0,5 |
|
|
|
10 | Инструмент для снятия фасок подобран правильно | 0,25 |
11 | Инструмент для обработки подобран правильно | 0,25 |
12 | Инструмент для нарезания резьбы подобран правильно | 0,25 |
|
|
|
13 | Выбранные режимы резания не приведут к поломке инструмента | 1 |
14 | В программе отсутствуют зарезания | 1 |
|
|
|
|
|
|
| Итого | 14 |
Таблица 2 - Критерии оценок токарных деталей
№ | Критерий | Макс балл |
1 | При симуляции программы все основные элементы (все кроме фасок) выполнены полностью (на обеих сторонах) | 3 |
| 3 - Выполнены все элементы |
|
| 1,25 - некоторые элементы не выполнены |
|
| 0- Отсутствует значительное количество элементов |
|
|
|
|
2 | Расположение нулевой точки выбрано корректно | 0,5 |
|
|
|
3 | При симуляции программы все фаски выполнены полностью (на обеих сторонах) | 0,75 |
|
|
|
4 | Выбран правильный порядок выполнения сторон | 1 |
|
|
|
5 | Выбрана наилучшая стратегия для снятия основной массы материала | 1 |
| 1- Обработка ведется с использованием контуров |
|
| 0,25- Обработка ведется с использованием циклов |
|
| 0- Выбрана чистовая стратегия |
|
|
|
|
6 | Выбрана наилучшая стратегия для обработки отверстий | 1 |
| 1- Отверстия сверлятся |
|
| 0,25- отверстия расфрезеровываются |
|
|
|
|
7 | Выбрана наилучшая стратегия для обработки канавок | 1,5 |
| 1,5- Канавки обрабатываются по диаметру ступеньками после чего подчищаются |
|
| 1- Канавки обрабатываются по длине после чего подчищаются |
|
| 0- Канавки обрабатываются по длине |
|
|
|
|
8 | На детали имеется правильно выполненная фрезерная обработка | 1 |
|
|
|
9 | В программе минимизировано количество смен инструмента | 0,5 |
|
|
|
10 | Инструмент для обработки канавок подобран правильно | 0,25 |
11 | Инструмент для наружной обработки подобран правильно | 0,25 |
12 | Инструмент для внутренней обработки подобран правильно | 0,25 |
|
|
|
13 | Выбранные режимы резания не приведут к поломке инструмента | 1 |
|
|
|
14 | Элементы в программе написаны по среднему значению поля допуска | 1,5 |
|
|
|
15 | В программе имеется операция торцевания | 0,5 |
|
|
|
| Итого | 14 |
Приложения






Чтобы оставлять комментарии, вам необходимо авторизоваться на сайте. Если у вас еще нет учетной записи на нашем сайте, предлагаем зарегистрироваться. Это займет не более 5 минут.