Методические указания к выполнению практической работы «Разработка календарного плана на заданный цикл работ» по МДК 01.02 «Проект производства работ» для студентов очной формы обучения специальности 08.02.01
МИНИСТЕРСТВО ОБРАЗОВАНИЯ РЯЗАНСКОЙ ОБЛАСТИ
Областное государственное бюджетное профессиональное учреждение
«Рязанский строительный колледж имени Героя Советского Союза В.А.Беглова»
Методические указания
к выполнению практической работы «Разработка календарного плана на заданный цикл работ»
по МДК 01.02
«Проект производства работ»
для студентов очной формы обучения специальности 08.02.01
Рязань 2025 г
Одобрена методической Составлена в соответствии с
комиссией спец. 08.02.01, 08.02.11, Федеральным государственным
08.02.14, 08.02.15 «Строительство и образовательным стандартом по
эксплуатация зданий и всем специальностям колледжа
сооружений»
Протокол № __6__
От «_28_» ____02____ 2025 г.
Председатель МК __________ /Рахманова Л.В./
Разработчик:
Барина К.В., преподаватель спецдисциплин, ОГБПОУ «Рязанский строительный колледж имени Героя Советского Союза В.А.Беглова».
В методических указаниях рассмотрена последовательность выполнения практической работы по разделу МДК 01.02. «Проект производства работ». Предназначены для студентов очной формы обучения специальности 08.02.01.
ОГБПОУ РСК, 2025
Содержание
Введение…………………………………………………………………….. | 4 |
1 Календарный план ……………………………………………………….. | 5 |
1.1 Назначение календарного плана, исходные данные для проектирования ……………………………………………………………. | 5 |
1.2 Определение объемов строительно-монтажных работ……………… | 5 |
1.3 Выбор методов производства работ и ведущих строительных машин ……………………………………………………………………… | 15 |
1.4 Ведомость подсчета затрат труда и материально-технических ресурсов………………………………………………………………………. | 16 |
1.5 Порядок разработки календарного плана ……………………………... | 16 |
1.6 Технико-экономические показатели календарного плана……………. | 19 |
Список литературы ………………………………………………………… | 20 |
Введение
Практическая работа заключается в разработке календарного плана на отдельный цикл работ: подземный, надземный или отделочный. Порядок составления календарного плана рассмотрен в данной методической разработке.
Цели практического занятия:
образовательные:
-способствовать формированию знаний проектирования календарных планов;
развивающие:
- развитие навыков разработки технологической документации;
воспитательные:
- способствовать повышению интереса студентов к профессиональной деятельности.
По результатам выполнения работы студент долженуметь:
- определять последовательность выполнения работ;
- рассчитывать трудоемкость работ по нормативно-технической литературе;
- определять продолжительность выполнения работ, рассчитывать количественный и квалификационный состав рабочих;
- обоснованно выбирать метод выполнения работы и необходимые технические средства;
- составлять календарный план на строительство объекта.
Формируемые компетенции:
ПК 1.4. Участвовать в разработке проекта производства работ с применением информационных технологий.
ПК 2.3. Проводить оперативный учет объемов выполняемых работ и расходов материальных ресурсов.
ОК 01. Выбирать способы решения задач профессиональной деятельности применительно к различным контекстам;
ОК 02. Использовать современные средства поиска, анализа и интерпретации информации и информационные технологии для выполнения задач профессиональной деятельности;
ОК 04. Эффективно взаимодействовать и работать в коллективе и команде;
ОК 09. Пользоваться профессиональной документацией на государственном и иностранном языках.
1 Календарный план
1.1 Назначение календарного плана, исходные данные для проектирования
Календарный план строительства отдельного объекта (КП) – это документ, который определяет последовательность и взаимосвязь, продолжительность работ, потребность в трудовых и технических ресурсах. Он является основным документом, по которому осуществляется руководство и контроль за ходом выполнения работ, координируется работа субподрядчиков.
Исходными данными для составления КП являются:
- нормативный срок строительства;
- рабочие чертежи;
- данные о технических ресурсах организаций-участников строительства;
- технологические карты на строительные процессы.
1.2 Определение объемов строительно-монтажных работ
Наименование работ или конструкций необходимо указывать полно и ясно с тем, чтобы правильно применять единичные расценки при составлении сметных документов.
Методика и порядок подсчёта объёмов работ должны соответствовать положениям, изложенным в нормативных источниках. Правила подсчета объемов основных СМР приведены в данном методическом пособии или в технической части соответствующего ГЭСНа.
Подсчёты объёмов отдельных конструкций и видовработ производить по схемам, позволяющим наглядно представить ход расчётов и облегчающим проверку таких расчётов.Подсчёт производить в табличной форме.
Таблица 1 - Ведомость объёмов работ
Виды работ | Формула подсчёта | Единицы измерения | Количество |
1 | 2 | 3 | 4 |
Таблица подсчёта объёмов работ должна содержать краткое описание учитываемого вида работ или конструктивного элементаи формулы подсчёта его объёма, площади или веса.
Для упрощения и облегчения работы рекомендуется:
подсчёт по конструктивным элементам и видам работ вести в таком порядке, чтобырезультаты ранее выполненных расчётов могли быть использованы для последующих этапов;
для типовых и повторяющихся конструктивных элементов и частей зданий, иметь заранее составленные таблицы(вспомогательные) с необходимыми готовыми данными;
максимально использовать в подсчёте объёмов работ имеющиеся в составе проекта спецификации на изделия и другие данные (жилая площадь, полезная площадь и т.д.)
Примерный перечень работ при возведении жилого дома с кирпичными стенами:
- подготовительные работы;
- срезка растительного слоя;
- планировка площадки бульдозером;
- разработка котлована экскаватором;
- доработка грунта вручную;
- устройство подготовки под фундамент;
- монтаж сборных фундаментов;
- монтаж плит перекрытия подвала (техподполья);
- гидроизоляция фундамента;
- обратная засыпка пазух фундамента вручную и бульдозером;
- кирпичная кладка стен (наружных, внутренних, перегородок);
- монтаж перемычек, плит перекрытия между этажами, плит лоджий, балконов, козырьков над входом, лестничных маршей и площадок;
- устройство кровли;
- заполнение дверных и оконных проемов блоками;
- устройство подготовок под полы;
- штукатурка стен и потолков;
- устройство полов из линолеума, керамической плитки, штучного паркета и др.;
- облицовка стен керамической плиткой;
- окраска стен и потолков;
- оклейка стен обоями;
- электромонтажные работы;
- сантехнические работы;
- благоустройство территории;
- прочие неучтенные работы.
Правила подсчета объемов работ
Земляные работы
Расчеты по определению земляных работ включают в себя:
предварительную планировку поверхности;
срезку растительного слоя;
определение объемов котлована или траншей (разработка экскаватором и вручную);
объем песчаной подсыпки;
уплотнение грунта (по необходимости);
обратную засыпку выемок (вручную, бульдозером или экскаватором).
При подсчете объема земляных работ, следует помнить, что по условиям техники безопасности рытье траншей в грунтах естественной влажности может осуществляться без креплений (с вертикальными стенками):
- в насыпных, песчаных и гравелистых грунтах на глубину не более 1,25 м;
- в глинистых грунтах на глубину 1,5 м;
- в особо плотных грунтах на глубину до 2 м.
Во всех остальных случаях разработка производится с откосами, уклон которых зависит от вида грунта, глубины выемки и определяется согласно СНиП.
Таблица 2 – Значение коэффициента естественного откоса «m»
Грунт | Глубина заложения | |||
до 1,5м | 1,5…3,0м | 3...5,0м | ||
Насыпной | 0,67 | 1,0 | 1,25 | |
Насыпной влажный (песчаный, гравелистый) | 0,5 | 1,0 | 1,0 | |
Глинистые | ||||
супесь | 0,25 | 0,67 | 0,85 | |
суглинок | 0 | 0,5 | 0,75 | |
глина | 0 | 0,25 | 0,5 | |
Лессогрунт | ||||
мореный | 0 | 0,5 | 0,5 | |
песчаный | 0,25 | 0,57 | 0,75 | |
суглинок | 0,2 | 0,5 | 0,65 | |
песок | 0,5 | 1,0 | 1,0 | |
Для облегчения подсчетов объемов земляных работ при разработке котлована необходимо начертить его поперечные разрезы, нанести необходимые оси, привязки, размеры, отметки, облегчающие подсчет объемов работ. При разработке траншеи достаточно вычертить поперечное сечение, зная длину по осям, определить ее объем.
Для определения объема грунта в разрыхленном состоянии используются коэффициенты, приведенные в таблицах 3 и 4.
Таблица 3 – Коэффициент первоначального разрыхления (Кпр.)
Вид грунта | Коэффициент первоначального разрыхления |
Пески | 1,08…..1,17 |
Суглинистые грунты | 1,14…..1,28 |
Глинистые грунты | 1,04…..1,09 |
Таблица 4 – Коэффициент остаточного разрыхления (Кор.)
Вид грунта | Коэффициент остаточного разрыхления |
Пески | 1,01…..1,025 |
Суглинистые грунты | 1,015…1,05 |
Глинистые грунты | 1,04…..1,09 |
Примеры подсчета объемов работ
Таблица 5 - Ведомость объёмов работ
Виды работ | Формула подсчёта | Единицы измерения | Количество |
1 | 2 | 3 | 4 |
1.Предварительная (грубая) планировка поверхности грунта |
Аплан=Lплан*Bплан=(144+20)* *(72+20)=164*92 | М2 | 15088 |
2.Срезка растительного слоя (разработка грунта бульдозером | Vраз.= Аплан.* δраз., где Аплан.- площадь планировки, м2; δраз. – толщина срезки, м. Толщину срезки принимаем 0,1 м. Vраз.=15088*0,1 | м3 | 2263,2 |
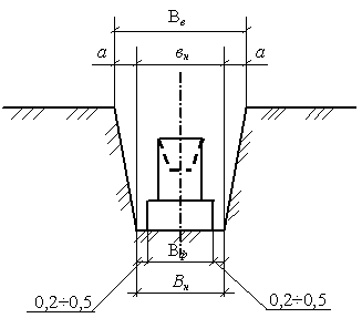
Определение объема котлована

Рисунок 1 – Котлован
Объем котлована определяется по формуле:
Vкотл.=
, (1)
где Vкотл. - объем котлована, м3;
hкотл – глубина котлована, м;
Fнижн – площадь котлована по низу, м2;
Fверх– площадь котлована по верху, м2.
Длина котлована по низу определяется по формуле:
Вн = В+2Вф1 +2*0.3, (2)
где В – расстояние между осями, м;
Вф1 – привязка фундамента к оси (если привязки разные, то они суммируются по отдельности и не умножаются на 2), м.
Длина котлована по низу определяется аналогично ширине.
Ширина и длина котлована по верху определяются по формулам 3 и 4.
Вв = Вн + 2а, (3)
а= 2Нm, (4)
где а – величина заложения откоса, м;
Н – глубина котлована, м;
m - коэффициент естественного откоса (см. табл. 2.2).
Определение объема траншеи


Рисунок 2 - Варианты расположение фундаментов в траншее
Объем траншеи определяется по формуле:
V тр. = (Вг + Вв)/2, (5)
гдеV тр. – объем траншеи, м3;
Вн – ширина траншеи по низу, м;
Вв – ширина траншеи по верху,м.
Ширина траншеи по низу определяется по формуле:
Вн = Вф + 2*0,5 , (6)
где Вф – ширина подошвы фундамента, м.
Ширина траншеи по верху определяется аналогично ширине котлована по формулам 3 и 4:
Вв = Вн + 2а,
а= 2Нm,
где а – величина заложения откоса, м;
Н – глубина траншеи, м;
m - коэффициент естественного откоса (см. табл. 2).
Подчистка основания под фундамент вручную принимается в размере 5% от объема разработки грунта экскаватором.
Vкот.вр. = Vкот* 0,05, (7)
гдеVкот.вр. – объем грунта разрабатываемого в котловане вручную, м3;
Vкот - объем котлована, м3.
Vтр.вр. = Vтр.* 0,05, (8)
гдеVтр.вр. - объем грунта разрабатываемого в траншее вручную, м3;
Vтр. - объем траншеи, м3.
Уплотнение грунта (по необходимости):
- уплотнение дна котлована:
Акотл.упл. = Lн * Вн , (9)
где Акотл. упл. – площадь уплотнения, м2;
Lн , Вн – длина и ширина котлована по низу, м.
- Уплотнение грунта под ленточный фундамент:
Аупл. = Вф* Р, (10)
где Аупл. – площадь уплотнения, м2;
Вф – ширина подошвы фундамента, м;
Р – периметр фундамента (сумма всех длин фундамента), м.
- Уплотнение грунта под отдельно стоящий фундамент:
Аупл. = Вф* Lф*n, (11)
где Lф – длина подошвы фундамента, м;
n – количество однотипных фундаментов, шт.
Устройство песчаной подготовки, м3:
толщина песчаной подготовки (подсыпки) принимается 100мм.
Vкот.п..п. = Акотл.упл. * 0,1. (12)
Определение объема подвала, м3:
Vподв.=lподв.*bподв.*hкотл. (13)
Определение объемов работ по обратной засыпке выемок:
Vобр. зас.= (Vкотл. – Vподв. )/ Ко.р., (14)
гдеVобр. зас – объем обратной засыпки выемки, м3;
Vгр. – объем выбранного грунта из котлована или траншеи, м3;
Vфунд. – объем фундамента, м3;
Ко.р – коэффициент остаточного разрыхления (см. табл. 3.4).
Обратную засыпку производят вручную и механизировано (экскаватором или бульдозером).
- Определение объема обратной засыпки вручную.
Обратная засыпка вручную составляет 10-15% об общего объема обратной засыпки.
Vоб.зас.вр. = Vобр. зас * (0,1…0,15), (15)
гдеVоб.зас.вр – объем обратной засыпки вручную,м3.
- Определение обратной засыпки механизированным способом (экскаватором или бульдозером).
Vоб.зас.мех. = Vобр. зас - Vоб.зас.вр (16)
Гидроизоляция фундаментов считается в квадратных метрах по площади изолируемой поверхности. При определении объемов горизонтальная и вертикальная гидроизоляции считаются отдельно. Площадь горизонтальной гидроизоляции определяется умножением толщины фундаментов на их периметр, вертикальной – умножением высоты изолируемой поверхности на периметр.
Монтажные работы
Объемы работ по монтажу строительных конструкций (сборных фундаментов, перемычек, лестничных маршей и площадок) подсчитывают в штуках с учетом веса монтируемых элементов в соответствии с используемым сборником определения трудозатрат (ГЭСН, ЕНиР). Количество плит перекрытия над подвалом и между этажами считается в зависимости от площади плит.
Таблица 6 – Ведомость сборных железобетонных элементов
Поз. | Обозначение | Наименование | Коли-чество | Вес 1 элем., кг | Примечание |
1 | 2 | 3 | 4 | 5 | 6 |
Объем кирпичной кладки
Объем кирпичной кладки считается отдельно для каждой разбивочной оси.
Vкирп. кл. = (Акл. – Апр.)*δст., (17)
гдеVкирп. кл. - объем кирпичной кладки, м3;
Акл. – площадь кирпичной кладки, м2;
Апр - площадь проемов, м2;
δст. – толщина стены, м.
Площадь кирпичной кладки Акл.:
Акл. = Lст. * Нст., (18)
гдеLст. – длина стены с учетом привязок, м;
Нст. – высота стены, м.
Высота стены при подсчете кирпичной кладки определяется от обреза фундамента до верха кирпичной кладки.
Апр = Впр.* Нпр., (19)
где Впр., Нпр - ширина и высота проема по наружному обводу коробок, м.
При подсчете объема кирпичной кладки по торцевым стенам необходимо подсчитать объем кирпичной кладки фронтонов. Также к общему объему кладки добавляется объем кирпичных столбов.
Наружные леса для кирпичной кладки подсчитываются в квадратных метрах (м2) их проекции на стену, подмости в квадратных метрах площади подмостей. Подсчет ведется в табличной форме (см. таблицу 7).
Таблица 7 – Ведомость подсчета объемов работ по каменной кладке
Наименование работ | Участок стены | Длина, м | Высота, м | Площадь, м ² | Толщина стен | Объем кладки на этаж | Объем кладки на здание | |||
стен | оконных проемов | дверных проемов | стен за вычетом проемов | |||||||
1 | 2 | 3 | 4 | 5 | 6 | 7 | 8 | 9 | 10 | 11 |
Полы
При определении объемов работ по устройству полов учитываются все слои, входящие в состав пола. Объем работ по устройству покрытий полов считается по площади между внутренними стенами или перегородками за вычетом мест, занимаемых колоннами, печами, фундаментами, выступающими над уровнем пола.
Площадь уплотнения грунта катками под полы считается за вычетом мест, занимаемых колоннами, выступающими фундаментами и т.д. по площади (м2).
Таблица 8 - Определение объемов работ по устройству оснований полов
Вид основания под полы | Формула подсчета | Единица измерения |
1 | 2 | 3 |
Бетонные | Vбет. осн.= Апола * δ | м3 |
Цементные, плитные | Аосн. = Апола | м2 |
Лаги деревянные | Алаг. = Апола | м2 |
Гидроизоляция | Агидр.. = Апола | м2 |
Тепло-звукоизоляция: - плитная; - засыпная | Ат-з.из. = Апола Ат-з.из. = Апола * δ | м2 м3 |
В данных формулах δ – толщина основания, м.
Крыша и кровля
Если здание имеет стропильную крышу, то объем древесины для стропил считается в кубических метрах и берется из спецификации древесины, выполненной в курсовом проекте по архитектуре.
При подсчете объемов кровельных работ необходимо учитывать угол наклона кровли, карнизные свесы и парапет. Длина ската крыши принимается от конька до крайней грани карниза. При подсчетах объемов покрытия кровли к длине ската добавляется 70 мм на спуск кровли над карнизом.
Упрощенный способ расчета площади кровли:
Акров. = Агор.пр.кров.* К, (20)
где Акров – площадь кровли, м2;
Агор.пр.кров - горизонтальной проекции кровли, м2;
К - коэффициент уклона.
Таблица 9 – Значение коэффициента уклона «К»
Уклон | Коэффициент |
1:10 | 1,014 |
1:8 | 1,02 |
1:6 | 1,054 |
1:5 | 1,077 |
1:4 | 1,118 |
1:3 | 1,20 |
1:2 | 1,41 |
Подсчет пароизоляции производится по изолируемой площади (м2).
Подсчет объема работ по устройству утеплителя производится в зависимости от вида утеплителя:
плитный утеплитель:
Аут.пл. = Агор.пр. * К, м2 (21)
засыпной:
Vут.зас. = Агор.пр. * К * δзас., м3, (22)
где δзас. – толщина засыпки, м.
Подсчет объемов стяжки производится по площади (м2).
Все размеры для определения указанных выше объемов работ принимаются согласно архитектурно-строительным чертежам и пояснительной записки к ним.
6)Оконные и дверные проемы
Площадь заполнения проемов считается по наружному обводу коробок (м2). Объем работ по заполнению проемов оконными блоками подсчитывают по площади оконных проемов до 2м2 и более 2м2, дверных – до 3м2 и более 3м2. Данные заносятся в таблицу 10.
Таблица 10 Ведомость подсчета объемов работ по заполнению проемов блоками
Тип блока | Кол-во | Высота, м | Ширина,м | Площадь, м ² | Общая площадь, м² |
1 | 2 | 3 | 4 | 5 | 6 |
7) Внутренняя отделка
Оштукатуривание внутренних поверхностей
Объем работ включает в себя определение площадей стен по отдельным помещениям, квартире, секции, этажу. В объем оштукатуривания включается объем работ по оштукатуриванию оконных и дверных откосов.
Ашт. = Аповерх. – Апроем. + Аоткос., (23)
где Ашт. – площадь оштукатуривания, м2;
Аповерх. – площадь вертикальной поверхности, м2;
Апроем. – площадь проемов, м2;
Аоткос. – площадь откосов, м2.
Малярные работы
Объем работ по окраске поверхностей считается по площади (м2).
Все железобетонные конструкции до начала малярных работ должны быть подготовлены под окраску (потолки, бетонные перегородки, лестничные марши и площадки с обратной стороны и т.д.).
При определении объемов работ при окраске поверхностей стен водными составами (побелке) с проемностью менее 50%, площадь проемов из площади окраски (побелки) не вычитается. При других видах окраски площадь проемов необходимо вычесть.
При определении объемов работ по масляной окраске деревянных оконных и дверных заполнений применяются переводные коэффициенты:
- для оконных проемов в каменных стенах жилых и общественных зданиях при двух переплетах: раздельных -2,8; спаренных – 2,5;
- в промышленных зданиях – 2,1;
- для глухих дверей с наличниками – 2,4;
- для глухих дверей без наличников – 2,7.
Площадь окраски полов принимается по площади покрытия пола. Окраска плинтусов составляет 10% от площади полов.
Обойные работы
Объем работ по оклеиванию поверхности обоями исчисляется по площади оклеиваемой поверхности за вычетом проемов (м2).
Облицовка поверхности
Объем работ по облицовке поверхностей исчисляется по площади облицовки в м2.
Подсчет объемов работ по оштукатуриванию поверхностей, окраске, облицовке, оклейке стен обоями выполняют в табличной форме (см. таблицу 11).
Таблица 11 - Ведомость подсчета объемов работ по оштукатуриванию, окраске, оклейке стен обоями, облицовке стен керамической плиткой
Наименование помещения | Размеры, м | Периметр, м | Высота, м | Площадь проемов, м ² | Площадь оштукатуриваемой поверхности, м ² | Общий объем, м ² | |||
Штукатурка | Окраска | Оклейка стен обоями | Облицовка | ||||||
1 | 2 | 3 | 4 | 5 | 6 | 8 | 9 | 10 | 11 |
8) Наружная отделка
Отделка наружных поверхностей (фасадов)
Объем работ по оштукатуриванию, облицовке или обшивке наружных поверхностей определяется умножением периметра здания на его высоту за вычетом проемов.
Ашт. = Аповерх. – Апроем. (24)
Отделка цоколя
Отделка цоколя может быть выполнена фактурным оштукатуриванием, оштукатуриванием с последующей окраской, облицовкой природным камнем или керамическими, керамогранитными и др. плитками. Площадь отделки считается аналогично отделке наружных поверхностей.
1.3 Выбор методов производства работ и ведущих строительных машин
Для производства земляных работ подбираются экскаватор и бульдозер.
Для других видов работ подбираются передвижные малярные и штукатурные станции (агрегаты), сварочные аппараты, вибраторы, насосы и т.д. Обязательно указываются их марки и по возможности характеристики.
Кратко описывается технология выполнения основных строительно-монтажных работ (земляные работ, монтаж конструкций, кирпичная кладка, устройство кровли из различных материалов, отделочные работы).
Краны являются основным видом грузоподъёмных механизмов в строительстве. Кран подбирают для наиболее тяжелого и удаленного от крана элемента (в данном курсовом проекте это плита перекрытия или плита покрытия). Выбор крана зависит от высоты и ширины здания, размера и массы поднимаемого элемента при установке его на удаленное от оси крана расстояние. Основными параметрами для выбора крана является грузоподъёмность; вылет крюка; высота подъема крюка; длина стрелы.
Подбор монтажного крана осуществляется графическим способом. Марка крана подбирается на основании технико-экономического сравнения двух кранов, подходящих для монтажа по техническим требованиям.
1.4 Ведомость определения трудозатрат и материально-технических ресурсов
Расчет ведется на основании Государственных Элементных Сметных Норм (ГЭСН), также возможно использовать СНиП, результат сводится в таблицу 13.
На основании подсчета объемов работ заполняют 2, 3, 4 графы таблицы.
Графы 5, 6, 11, 12, 13 таблицы заполняются из ГЭСН (СНиП). Затраты труда (гр. 7) в чел-час. определяют как произведение объема работ (гр. 4) на норму времени (гр. 5). Машиноемкость (гр.8) в маш-смен. определяют умножением объема работ (гр. 4) на норму времени (гр.6).
Графы 9 и 10 получаются делением граф 7 и 8 на продолжительность рабочей смены – 8 ч.
Графа 14 равна произведению объема работ (гр. 4) на норму расхода материалов (гр. 13).
После заполнения ведомости составляется сводная ведомость материалов, в которую заносится необходимое количество материалов, определенное в результате подсчета по ГЭСН (графа 14 таблицы 14).
1.5 Расчет и разработка календарного графика
Основой для составления календарного графика является калькуляция трудозатрат (табл. 14).
Трудоемкости неучтенных работ (транспортные, благоустройство и т.д.) принимаются условно в размере до 20% от общей трудоемкости строительно-монтажных работ по проекту.
Описание календарного графика
При составлении календарного графика (правой части) необходимо учитывать:
- директивный срок строительства;
- технологическую последовательность выполнения работ;
- совмещение по времени выполнения различных видов работ с учетом ТБ;
- равномерное распределение рабочих по объекту в течение всего срока строительства;
- соблюдение правил техники безопасности и охраны труда;
- обязательную двухсменную работу всех механизмов, принятых при производстве
работ;
- непрерывность работы бригад.
Календарный график рекомендуется составлять в следующей последовательности:
- выписывают работы в технологической последовательности;
- объемы работ, трудоемкость (машиноемкость) работ взять из калькуляции трудозатрат (табл.13).
- принятая трудоемкость (гр.5) определяется путем умножения количества рабочих (гр.11) на продолжительность работ в днях (гр. 9) и на количество смен (гр.11).
- потребные машины (гр.6 и 7) принимаются в соответствии с ранее выбранными методами работ;
- продолжительность работ, выполняемых вручную, определяется делением трудоемкости работ на количество рабочих в смену. Продолжительность работ, выполняемых с помощью строительных машин, рассчитывается делением машиноемкости на количество машин и количество смен (не менее двух).
При определении продолжительности отдельных видов работ подбирается бригада с учетом некоторого перевыполнения норм. Состав бригады определяется по ЕНиР. Срок продолжительности отдельных видов работ в графике обозначается чертой (одинарной при односменной работе, двойной при двусменной), сверху которой указывается число рабочих в смену. Календарный план составляется по форме, приведенной в таблице 14.
Таблица 13 – Калькуляция трудозатрат
Обоснование по СНИП | Наиме-нование работ | Объём работ | Норма времени | Затраты труда на весь объём | Основные материалы и конструкции | ||||||||
Ед. изм. | Кол-во | Чел-час | Маш-час | Чел-час | Маш-час | Чел.-см. | Маш.-см. | Наименование | Ед. изм | Норма рас-хо-да | Кол-во | ||
1 | 2 | 3 | 4 | 5 | 6 | 7 | 8 | 9 | 10 | 11 | 12 | 13 | 14 |
Таблица 14 – Календарный график
Наименование работ | Объем работ | Трудоемкость чел-дн | Потребные машины | Продол-жит. работ в днях | Кол-во смен в сутки | Кол-во рабочих в смену | Состав бригады | Год | |||
Ед изм. | Кол-во | Наименов. | Кол-во | Месяц | |||||||
Норм. | Прин. | Рабо-чие дни | |||||||||
1 | 2 | 3 | 4 | 5 | 6 | 7 | 8 | 9 | 10 | 11 | 12 |
Описание графика движения рабочих
В процессе составления календарного плана необходимо следить за равномерным распределением рабочих. Для этого по мере составления графика работ под ним вычерчивается график движения рабочих, что позволяет в необходимых случаях корректировать сроки выполнения работ.
Если график движения рабочих по профессиям получился неудовлетворительным, следует исправить (оптимизировать) график производства работ, изменив сроки начала или окончания отдельных строительных процессов, при этом технологическая последовательность выполнения работ не должна нарушаться.
На графике проставляются значения, соответствующие количеству рабочих на объекте в каждый отдельно взятый день, а также дополнительно составляется график движения рабочих по отдельным основным специальностям. Период работы рабочих разных специальностей показывают линией, над ней пишут количество рабочих.
1.6 Подсчет основных технико-экономических показателей
Коэффициент неравномерности движения рабочих
Кн =
, (30)
где Nмах. – максимальное количество рабочих в графике движения рабочих, чел;
Nср. – среднее количество рабочих, чел, (по формуле 31):
Nср. =
, (31)
где
- трудоемкость, чел-дни;
Т -продолжительность строительства по календарному графику, дни.
Коэффициент сменности
Ксм =
< 2 , (32)
где tn – продолжительность выполнения вида работ, дни,
аn – количество смен в сутки при выполнении указанных работ, смены,
- сумма построчных, произведение гр.7 и гр.8 таблицы 14;
- продолжительность работ по таблице 14 (сумма гр 7), дни.
Коэффициент совмещенности строительных процессов по времени
Ксов. =
. (33)
Коэффициент продолжительности
Кпр. =
< 1, (34)
гдеТн– нормативный срок строительства, дн.
Список литературы
1. Соколов Г.К. Технология и организация строительства: Учебник/ Геннадий Константинович Соколов. - М.: Издательский центр «Академия», 2024 – 528с. 2. Дикман Л.Г. Организация строительного производства - М.: Изд-во АСС, 2022. 3. СНиП 12-03-2001 Безопасность труда в строительстве. Часть 1. Общие требования /Госстрой России, -М: Стройиздат, 2001. - 47 с. 4. СНиП 12-03-2002 Безопасность труда в строительстве. Часть 2. Строительное производство /Госстрой России, - М.: Стройиздат, 2002. - 123 с. 5. Государственные элементные сметные нормы (ГЭСН), сборники 1-15. 6. СНиП 1.04.03-85* «Нормы продолжительности строительства и задела в строительстве предприятий, зданий и сооружений». 8. СП 48.13330.2011 Организация строительства. Актуализированная редакция СНиП 12-01-2004 (с Изменением N 1). 9. СП 45.13330.2012 Земляные сооружения, основания и фундаменты. Актуализированная редакция СНиП 3.02.01-87. 10. Строительные монтажные краны. Справочное пособие 2020 г. 11. ЕНиРы на общестроительные работы. |
17

Чтобы оставлять комментарии, вам необходимо авторизоваться на сайте. Если у вас еще нет учетной записи на нашем сайте, предлагаем зарегистрироваться. Это займет не более 5 минут.