Разработка открытого урока по Измерительной технике
Министерство образования Нижегородской области
Государственное бюджетное образовательное учреждение
среднего профессионального образования
«Заволжский автомоторный техникум»
Методическая разработка урока
по дисциплине: «Измерительная техника»
тема: «Измерение активной мощности»
курс: II
Специальность: 13.02.13 «Эксплуатация и обслуживание электрического и электромеханического оборудования»
Составитель: преподаватель Голубева Е.А
г. Заволжье
2025 год
Методическая разработка учебного занятия
Учебная дисциплина: Измерительная техника
Специальность: 13.02.13 «Эксплуатация и обслуживание электрического и электромеханического оборудования»
Курс: 2
Тема занятия: «Измерение активной мощности»
Вид занятия: семинар
Форма проведения занятия: Изучение нового материала в технологии критического мышления через чтение и письмо.
Мотивация темы и формы проведения занятия: Тема занятия предусмотрена рабочей программой, составленной в соответствии с учебным планом специальности.
Форма проведения занятия способствует повышению мотивации учебной деятельности обучающихся через общение и сотрудничество.
В ходе изучения данной темы студенты должны продемонстрировать знание, понимание и умение строить электрические схемы для измерения активной мощности в цепях, как постоянного, так и переменного однофазного и трехфазного тока.
Продолжительность урока: 90 минут
Методическое обеспечение урока:
- Методическая разработка урока;
- Приложение 1;
- Приложение 2.
Место проведения занятия: учебная аудитория.
Учебное оснащение занятия: Доска, мел.
Предметные связи:
- межпредметные (дисциплина «Электротехника и электроника»)
- внутри предметные (тема «Прямые и косвенные измерения»).
Цели занятия:
1.Обучающие: Сформировать специальные знания, умения и навыки по заданной теме. Повысить интерес студентов к изучаемому материалу путём привлечения их к самостоятельному построению схем.
2. Воспитательные: Воспитание трудолюбия, интереса к предмету, внимательности, умения слушать и анализировать.
3. Развивающие: Развитие познавательных способностей студентов, активизация интеллектуальных способностей, расширение их кругозора, оперативного мышления, умения работать в должном темпе, инициативы, уверенности в своих силах, развитие коммуникативных навыков и способностей принимать правильное решение.
Критерии диагностики эффективности занятия: оценка за активную работу на уроке, выступления у доски.
В конце урока студент должен:
Иметь представление:
- об устройстве и принципе работы ваттметра.
Знать:
- условное обозначение на схемах;
-определение мощности прямым и косвенным методом.
Уметь:
- различать и самостоятельно строить схемы измерения мощности для цепей постоянного тока, а также однофазных и трехфазных цепей переменного тока.
Используемые источники информации:
Панфилов А.И. Измерительная техника. Академия. 2015.
.https/biblio-online.ru Шишмарёв В.Ю, учебное пособие для СПО 2018.
Хронокарта занятия:
№ | Этапы занятия | Продолжительность этапа, мин | Методы и формы работы |
1 | Организационная часть | 5 | Приветствие, проверка готовности аудитории к уроку, озвучивание темы урока, заполнение журнала, |
2 | Проверка выполнения домашнего задания | 5 | Повторение темы предыдущего занятия, путем опроса, для закрепления полученного ранее материала. |
3 | Объяснение материала | 35 | Проговаривание материала, путем ведения диалога с обучающимися, с целью их привлечения и участия в изучении новой темы |
4 | Закрепление новых знаний | 35 | К доске приглашаются по двое желающих, их задача по заданным условиям, параллельно друг другу нарисовать схемы самостоятельно. После чего проверяется правильность построения каждого из обучающихся. |
5 | Подведение итогов, выставление оценок | 10 | Выставление оценок за индивидуальные задания у доски, за опрос по предыдущему занятию, и общую работу на занятии. |
Итого | 90 минут | ||
Развернутый план урока.
Организационная часть.
Преподаватель приветствует студентов, отмечает в журнале присутствующих, объявляет тему и цель занятия. – 5 минут.
Проверка выполнения домашнего задания – 5 минут.
Индивидуальный опрос обучающихся (приложение 1). Преподаватель выборочно опрашивает троих студентов, согласно тематике предыдущего занятия. Студенты отвечают на вопросы, преподаватель оценивает ответы и проставляет оценки в журнал.
Объяснение материала – 35 минут.
Преподаватель объясняет студентам новую тему, путем ведения диалога со студентами, задавая наводящие вопросы по теме, для развития их логического мышления, и лучшего закрепления полученной информации в памяти обучающихся. Обучающиеся составляют конспект занятия на основе проговариваемого преподавателем материала.
Закрепление новых знаний – 35 минут.
К доске приглашаются по двое желающих. Для каждой вышедшей пары зачитывается условие схемы, которую им необходимо нарисовать. Задания делятся по 3 уровням сложности, схемы заданий представлены в приложении 2. После выполнения проверочных заданий, преподаватель предлагает опрашиваемым выполнить самооценку правильности выполнения задания, а также сравнить и оценить схемы друг с другом и схемой-эталоном. Обучающиеся анализируют выполненные задания свое и напарника согласно эталону. После чего преподаватель спрашивает обучающихся о результатах их самооценки и взаимопроверки, результаты заносит в журнал.
Подведение итогов, выставление оценок.
Преподаватель задает общие вопросы по пройденной теме, и отвечает на вопросы студентов, возникшие в ходе прохождения темы. Выставляет оценки за урок.
Приложение 1.
Индивидуальный опрос:
Какие методы измерения сопротивления вы знаете? (метод амперметра-вольтметра, метод вольтметра, метод одинарного моста Витстона и двойного моста для измерения малых сопротивлений).
Какие методы относятся к косвенным измерениям сопротивления? (метод амперметра-вольтметра, метод вольтметра).
Какие из перечисленных методов относятся к методам непосредственной оценки? (методы моста).
Какой метод является наиболее точным и почему? (метод моста, нет погрешностей, из-за дополнительных измерений).
В чем разница между схемами измерения больших и малых сопротивлений в методе амперметра-вольтметра? (расположение вольтметра).
Какие методы измерения индуктивности вы знаете? (метод амперметра-вольтметра, метод ваттметра, метод моста)
Какие методы измерения емкости вы знаете? (метод моста)
Условие, необходимое для правильной работы моста? (уравновешивание).
Что такое сходимость? (сходимость – свойство моста, определяющее число необходимых для уравновешивания попеременных регулировочных операций).
Приложение 2
Примеры индивидуальных заданий.
Схемы соединения ваттметров.
Первый уровень сложности.
Подключение трех ваттметров в четырехпроводную цепь с нагрузкой.

П
одключение двух ваттметров в трехпроводную цепь (любая из них)
Второй уровень сложности
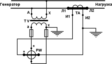
Измерение мощности через измерительные трансформаторы тока и напряжения в однофазной сети.
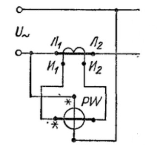
Измерение мощности через трансформатор тока

Измерение мощности через измерительные трансформаторы тока и напряжения

Третий уровень сложности
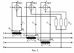
Измерение мощности в трехпроводной цепи через трансформаторы тока.

И
змерение мощности двухэлементным ваттметром через измерительные трансформаторы тока и напряжения.
Чтобы оставлять комментарии, вам необходимо авторизоваться на сайте. Если у вас еще нет учетной записи на нашем сайте, предлагаем зарегистрироваться. Это займет не более 5 минут.