Методические рекомендации по выполнению практических работ по дисциплине «Электротехника и электроника»
Автономное учреждение
профессионального образования
Ханты-Мансийского автономного округа – Югры
«Сургутский политехнический колледж»
Методические рекомендации
по выполнению практических работ по дисциплине «Электротехника и электроника»
Для студентов очной формы обучения
Специальность: 23.02.03 Техническое обслуживание
и ремонт автомобильного транспорта
Наименование профиля: технический
Сургут, 2024
Методические рекомендации по выполнению практических работ
по дисциплине «Электротехника и электроника»
Разработчики:
Ф.Р.Коновалова, преподаватель специальных дисциплин
Ф.И.О., ученая степень, звание, должность
В методических указаниях приводятся теоретические сведения по теме, задания и образцы решения для выполнения практической работы .
Рекомендована профессионально-методическим объединением
«Транспортные средства»,
протокол № 1 от «06»сентября 2024 г.
Практическая работа №1
«Расчет смешанного соединениякконденсаторов»
Цель:изучить метод расчета электрической емкости и зарядов конденсаторов при их смешанном соединении.
Теоретические сведения
Электрический конденсатор—это система из двух проводников (обкладок, пластин), разделенных диэлектриком.
Конденсаторы обладают свойством накапливать на своих обкладках электрические заряды, равные по величине и противоположные по знаку.
Электрический заряд qкаждой из обкладок пропорционален напряжениюUмежду ними:

Величину С, равную отношению заряда одной из обкладок конденсатора к напряжению между ними, называют электрической емкостью конденсатора и выражают в фарадах (Ф).
Емкость конденсатора зависит от геометрических размеров, формы, взаимного расположения и расстояния между обкладками, а также от свойств диэлектрика.
Конденсаторы могут быть соединены последовательно, параллельно и смешанно (последовательно-параллельно).
Последовательное соединение

При таком на обкладках всех конденсаторов будут одинаковые по величине заряды:

Напряжения на конденсаторах будут различны, так как они зависят от их емкостей:
;
…
Общее напряжение:

Общая, или эквивалентная, емкость
или
Параллельное соединение

При параллельном соединении напряжение на всех конденсаторах одинаковое.
Заряды на обкладках отдельных конденсаторов при различной их емкости:
,
….
Заряд, полученный всеми параллельно соединенными конденсаторами:

Общая (эквивалентная) емкость:

Задание

Определить эквивалентную емкость батареи конденсаторов, соединенных по схеме, при соответствующих положениях ключей.
Вариант | Положение ключей | С1, мкФ | С2, мкФ | С3, мкФ | С4, мкФ | С5, мкФ | С6, мкФ | С7, мкФ | ||
К1 | К2 | К3 | ||||||||
1 | 0 | 0 | 0 | 2 | 1 | 3 | 1 | 3 | 1 | 1 |
2 | 1 | 0 | 0 | 3 | 1 | 1 | 2 | 2 | 1 | 3 |
3 | 0 | 1 | 0 | 1 | 1 | 2 | 2 | 3 | 3 | 0,5 |
4 | 0 | 0 | 1 | 2 | 1 | 1 | 1 | 3 | 2 | 1 |
5 | 1 | 1 | 0 | 1 | 2 | 2 | 3 | 1 | 2 | 2 |
6 | 1 | 0 | 1 | 0,5 | 3 | 3 | 2 | 1 | 3 | 1 |
7 | 0 | 1 | 1 | 2 | 3 | 3 | 0,5 | 1 | 1 | 2 |
8 | 1 | 1 | 1 | 2 | 1 | 1 | 2 | 1 | 3 | 3 |
9 | 1 | 0 | 0 | 1 | 0,5 | 1 | 3 | 3 | 0,5 | 2 |
10 | 0 | 0 | 1 | 1 | 3 | 1 | 2 | 2 | 3 | 2 |
Для случая, когда ключи К1, К2 и К3 разомкнуты, найти заряды на каждом конденсаторе и общий заряд схемы.
№ варианта | С2, мкФ | С3, мкФ | С4, мкФ | С7, мкФ | U2,B | U3,B | U4,B | U7,B |
1 | 5 | 10 | 2 | 4 | 10 | 10 | 25 | 25 |
2 | 3 | 2 | 4 | 5 | 20 | 25 | 15 | 10 |
3 | 4 | 5 | 3 | 2 | 30 | 20 | 40 | 50 |
4 | 5 | 4 | 4 | 5 | 40 | 50 | 50 | 40 |
5 | 4 | 4 | 10 | 3 | 50 | 30 | 20 | 40 |
6 | 6 | 5 | 12 | 4 | 30 | 20 | 12 | 4 |
7 | 10 | 13 | 8 | 5 | 40 | 25 | 50 | 65 |
8 | 8 | 4 | 4 | 8 | 10 | 20 | 20 | 10 |
9 | 20 | 8 | 6 | 5 | 15 | 25 | 50 | 40 |
10 | 2 | 7 | 2 | 3 | 50 | 30 | 50 | 70 |
Порядок выполнения расчета
Задание 1
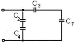
Для данных своего варианта начертить исходную схему.
Вариант | Положение ключей | С1, мкФ | С2, мкФ | С3, мкФ | С4, мкФ | С5, мкФ | С6, мкФ | С7, мкФ | ||
К1 | К2 | К3 | ||||||||
1 | 0 | 1 | 0 | 1 | 1 | 1 | 1 | 1 | 1 | 1 |

Рассчитать последовательное соединение С3-С7:


Рассчитать параллельное соединение С4-С5:

Рассчитать последовательное соединение С2-С45:


Найти эквивалентную емкость, рассчитав параллельное соединение С245-С37:

Задание 2
Для данных своего варианта начертить исходную схему.
№ варианта | С2, мкФ | С3, мкФ | С4, мкФ | С7, мкФ | U2,B | U3,B | U4,B | U7,B |
1 | 7 | 5 | 4 | 6 | 20 | 30 | 35 | 25 |

Рассчитать заряды на каждом конденсаторе:




Рассчитать общий заряд схемы:




Проверка:
,
где


Практическая работа №2
«Расчет смешанного соединения резисторов»
Цель:закрепить знания методов расчета эквивалентного сопротивления резисторов при их смешанном соединении.
Теоретические сведения
Отдельные проводники электрической цепи могут быть соединены между собой последовательно, параллельно и смешанно (последовательно-параллельно).
Последовательное соединение
Проводники соединены таким образом, что по ним проходит один и тот же ток.

Сила тока в цепи:

Общее напряжение:

Эквивалентное сопротивление:

Параллельное соединение
Два или более число проводников присоединены к двум узловым
точкам.

Сила тока в цепи:

Общее напряжение:

Эквивалентное сопротивление:
или
Задание
Определить общее сопротивление цепи, токи во всех ветвях и напряжения на каждом сопротивлении, если напряжение U=120 В.

Вариант | Положение ключей | R1, Ом | R2, Ом | R3, Ом | R4, Ом | R5, Ом | R6, Ом | R7, Ом | R8, Ом | |
К1 | К2 | |||||||||
1 | 1 | 0 | 2 | 1,5 | 3 | 1 | 1,5 | 3 | 6 | 3 |
2 | 0 | 1 | 2 | 1,5 | 3 | 1 | 1,5 | 3 | 6 | 3 |
3 | 1 | 0 | 2 | 1,5 | 3 | 1 | 1,5 | 3 | 6 | 3 |
4 | 0 | 1 | 2 | 1,5 | 3 | 1 | 1,5 | 3 | 6 | 3 |
5 | 1 | 0 | 1 | 3 | 6 | 1,5 | 3 | 1,5 | 2 | 4 |
6 | 0 | 1 | 1 | 3 | 6 | 1,5 | 3 | 1,5 | 2 | 4 |
7 | 0 | 1 | 1 | 3 | 6 | 1,5 | 3 | 1,5 | 2 | 4 |
8 | 1 | 0 | 1 | 3 | 6 | 1,5 | 3 | 1,5 | 2 | 4 |
9 | 0 | 1 | 6 | 4 | 2 | 3 | 2 | 8 | 4 | 2 |
10 | 1 | 0 | 2 | 1,5 | 1 | 3 | 1,5 | 6 | 3 | 3 |
Порядок выполнения расчета
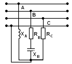
Для своих данных начертить исходную схему.

Вариант | Положение ключей | R1, Ом | R2, Ом | R3, Ом | R4, Ом | R5, Ом | R6, Ом | R7, Ом | R8, Ом | |
К1 | К2 | |||||||||
1 | 1 | 0 | 1,5 | 2 | 1 | 3 | 1,5 | 3 | 3 | 6 |
Рассчитать последовательное соединение R1-R4:

Рассчитать параллельное соединение R14-R3:


Рассчитать последовательное соединение R2-R5:

Рассчитать параллельное соединение R134-R25:


Найти эквивалентное сопротивление, рассчитав последовательное соединение R12345-R78:

Найти общий ток в цепи:

Найти токи на сопротивлениях R7 и R8:

Найти напряжения на сопротивлениях R7 и R8:


10. Найти напряжение между точками а и б:
11. Найти ток на сопротивлениях R1 и R4:

12. Найти ток на сопротивлениях R2 и R5:

13. Найти ток на сопротивлении R3:

14. Проверка:

Практическая работа №3
«Расчет неразветвленных электрических цепей переменного тока»
Цель:закрепить знания методов расчета параметровнеразветвленных электрических цепей переменного тока.
Теоретические сведения
Реактивное сопротивление цепи рано разности индуктивных и емкостных сопротивлений:
(брать все Х из схемы)
Формула для полного сопротивление цепи имеет вид:

Эту формулу нужно привести в соответствие со своей схемой, следуя указаниям:
- если одно из этих сопротивлений в схеме отсутствует, то брать его за ноль;
- если каких-то сопротивлений два, то при их подставке в формулу складывают; причем XL всегда берут с «плюсом», а ХC - с «минусом».
Ток в цепи можно найти несколькими способами:






Напряжения в цепи также можно найти по нескольким формулам:




Коэффициент мощности равен отношению активного сопротивления к полному:

sinj находят как отношение реактивного сопротивления к полному:

Формулы для мощности цепи имеют вид:
активная 
реактивная 
полная 
Для построения векторной диаграммы необходимо:
Составить уравнение
(векторно сложить в порядке схемы соответствующие напряжения).Выбрать масштаб, т.е. поделить все значения напряжений на одно число, чтобы результат деления было удобно строить в сантиметрах.
U.. . = … В
U… = … В
U.. . = … В
I … = … А
После этого построить векторную диаграмму по масштабу и в соответствии с уравнением.
ПРИМЕЧАНИЕ:
первым всегда строят ток I;
вектор UR всегда идет параллельно току;
вектор UL перпендикулярно току вверх;
UC перпендикулярно току вниз;
итоговый вектор U соединяет начало первого вектора с концом последнего.
Проверка: длина вектора U в сантиметрах, измеренная по линейке, должна совпадать с расчетной величиной.
Задание
Неразветвленная цепь переменного тока содержит активные и реактивные сопротивления, величины которых заданы в таблице. Кроме того, известна одна из дополнительных величин. Определить следующие величины, если они не заданы в таблице вариантов: полное сопротивление цепи; напряжение, приложенное к цепи: силу тока в цепи; активную, реактивную и полную мощности;cos φ; sin φ.

Вариант | R1, Ом | R2, Ом | XL, Ом | XC, Ом | Дополнительная величина |
1 | 8 | 4 | 18 | 2 | I = 10А |
2 | 10 | 20 | 50 | 10 | P = 120 Вт |
3 | 3 | 1 | 5 | 2 | P2 = 100 Вт |
4 | 12 | 20 | 30 | 6 | U1 = 72 В I = 1 А |
5 | 4 | 8 | 18 | 2 | U = 40 В |
6 | 2 | 1 | 4 | 8 | Q1 = -96 вар |
7 | 1 | 3 | 2 | 5 | QС1 = -125 вар |
8 | 1 | 2 | 8 | 4 | S= 80 В∙А |
9 | 20 | 10 | 10 | 50 | Q = -640 вар |
10 | 8 | 4 | 6 | 22 | Р1 = 32 Вт |
Порядок выполнения расчета
Начертить исходную схему.

Вариант | R1, Ом | R2, Ом | XL, Ом | XC, Ом | Дополнительная величина |
1 | 2 | 6 | 12 | 6 | Q = 150 вар |
Найти реактивное сопротивление:

Найти полное сопротивление цепи:

Найти ток:

Найти напряжения:





6. Найти cosφ и sinφ:


7. Найти мощности:
активная

реактивная

полная

8. Построить векторную диаграмму:
Векторно сложить соответствующие напряжения в порядке схемы

Выбрать масштаб, т.е. поделить все значения напряжений на одно число, чтобы результат деления было удобно строить в сантиметрах.
UR1 = 10 В 1 см
UL = 60 В 6 см
UR2 = 30 В : 10 3 см
UC = 30 В 3 см
U = 50 В 5 см
I = 5 А : 1 5 см
Построить векторную диаграмму по масштабу и в соответствии с уравнением.
UR2



UC
UL
U

UR1I
Описание:
1. Первым строят ток I , горизонтально, длиной 5 см;
2. Вектор UR1 идет параллельно току, длиной 1 см;
3. Вектор UL перпендикулярно току вверх, от конца вектора UR1, длиной 6 см;
4. Вектор UR2 идет параллельно току, от конца вектораUL, длиной 3 см;
5. UC перпендикулярно току вниз, от конца вектора UR2, длиной 3 см;
6. Итоговый вектор U соединяет начало первого вектора UR1с концом последнего UC.
Проверка:длина вектора U в сантиметрах, измеренная по линейке, равна 5 см, что совпадает с расчетной величиной.
Практическая работа №4
«Расчет трехфазных цепей»
Цель:закрепить знания методов расчета параметровтрехфазных цепей переменного тока.
Теоретические сведения
Электрические цепи, которые состоят из совокупности переменных ЭДС одной частоты и сдвинутых по фазе друг относительно друга на треть периода называют трехфазной системой переменного тока. Однофазная цепь, входящая в систему данной многофазной цепи называется фазой.
В трехфазных системах обмотки генератора и электроприемника соединяют по схемам «звезда» или «треугольник». Если нагрузки (приемники) соединены в трехфазную цепь по схеме «звезда», то к сопротивлениям нагрузки приложены фазные напряжения. Линейные токи равны фазным и определяются по закону Ома:



а ток в нейтрали равен векторной сумме этих токов:


При симметричных напряжениях UA,UB,UC и одинаковых сопротивлениях RA=RB=RC=R токи IA,IB,ICтакже симметричны и их векторная сумма (IN) равна нулю. Тогда


а напряжение 
Векторные диаграммы имеют вид:

Мощность трёхфазной нагрузки складывается из мощностей фаз:

Когда нагрузка симметричная и чисто резистивная, имеем

При смешанной (активно-индуктивной или активно-емкостной) нагрузке:
активная мощность

реактивная мощность

полная мощность

Если нагрузки (приемники) соединены в трехфазную цепь по схеме «треугольник», нагрузка RAВ,RBС иRCАкаждой фазы включается на полное линейное напряжение,которое равно фазному:


Фазные токи IAВ,IBС иICА определяются по закону Ома:



Линейные токи определяются по первому закону Кирхгофа:



При симметричных напряжениях UAВ,UBС,UCА и одинаковых нагрузках фаз RAВ=RBС =RCА=R токи также симметричны:

Векторные диаграммы имеют вид:

Мощность, потребляемая трехфазной нагрузкой при ее соединении в «треугольник», складывается из мощностей фаз

При симметричной или чисто активной нагрузке

При смешанной (активно-индуктивной или активно-емкостной) нагрузке:
активная мощность

реактивная мощность

полная мощность

Задание
1. В трехфазную четырех проводную сеть включили звездой несимметричную нагрузку: в фазу А – индуктивный элемент с индуктивностью LA , в фазу В – резистор с сопротивлением RB , и емкостный элемент с емкостью СВ , в фазу С – резистор с сопротивлением RС . Линейное напряжением сети UHOM . Определить фазные токи IA, IB, IC, активную мощность цепи P, реактивную мощность Q и полную мощность S.
Вариант | RB, Ом | RC, Ом | LA, мГн | CB, мкФ | Uн, В | f, Гц |
1 | 25 | 5 | 10 | 100 | 380 | 50 |
2 | 5 | 10 | 20 | 200 | 220 | 50 |
3 | 10 | 15 | 15 | 300 | 380 | 50 |
4 | 15 | 20 | 25 | 400 | 220 | 50 |
5 | 20 | 25 | 12 | 500 | 380 | 50 |
6 | 25 | 5 | 24 | 600 | 220 | 50 |
7 | 5 | 10 | 22 | 700 | 380 | 50 |
8 | 10 | 15 | 14 | 800 | 220 | 50 |
9 | 15 | 20 | 18 | 900 | 380 | 50 |
10 | 20 | 25 | 30 | 100 | 220 | 50 |

2. В трехфазную сеть включили треугольником несимметричную нагрузку. В фазу АВ – емкостный элемент СAВ , в фазу ВС – индуктивный элемент с активным сопротивлением RВС и индуктивностью LBC, в фазу С – резистор с сопротивлением RСА . Линейное напряжением сети UH. Определить фазные токи IAВ, IBС, ICА, активную мощность цепи P, реактивную мощность Q и полную мощность трехфазной цепи S.
Вариант | RBС, Ом | RCА, Ом | LВС, мГн | CАВ, мкФ | Uн, В | f, Гц |
1 | 4 | 10 | 10 | 320 | 220 | 50 |
2 | 2 | 5 | 12 | 310 | 127 | 50 |
3 | 6 | 15 | 14 | 300 | 220 | 50 |
4 | 8 | 20 | 16 | 280 | 127 | 50 |
5 | 12 | 15 | 18 | 330 | 220 | 50 |
6 | 8 | 10 | 20 | 325 | 127 | 50 |
7 | 6 | 5 | 18 | 290 | 220 | 50 |
8 | 4 | 20 | 10 | 310 | 127 | 50 |
9 | 2 | 15 | 14 | 315 | 220 | 50 |
10 | 4 | 5 | 12 | 270 | 127 | 50 |

Порядок выполнения расчета
Задание 1
Начертить исходную схему

Вариант | RB, Ом | RC, Ом | LA, мГн | CB, мкФ | Uн, В | f, Гц |
1 | 8 | 5 | 31,8 | 600 | 380 | 50 |
Определить фазные напряжения:


В четырехпроводной цепи при любой нагрузке фаз выполняется соотношение:

Определить сопротивление индуктивного элемента LA:

Определить сопротивление емкостного элемента СВ:

Определить полное сопротивление в фазе В:

Найти фазные токи, применяя закон Ома для участка цепи:



Определить активную мощность фаз:




Определить реактивную мощность фаз:




Полная мощность трехфазной цепи равна:

Задание 2
В трехфазную сеть включили треугольником несимметричную нагрузку. В фазу АВ – емкостный элемент СAВ , в фазу ВС – индуктивный элемент с активным сопротивлением RВС и индуктивностью LBC, в фазу С – резистор с сопротивлением RСА . Линейное напряжением сети UH. Определить фазные токи IAВ, IBС, ICА, активную мощность цепи P, реактивную мощность Q и полную мощность трехфазной цепи S.
Вариант | RBС, Ом | RCА, Ом | LВС, мГн | CАВ, мкФ | Uн, В | f, Гц |
1 | 4 | 10 | 9,55 | 318,5 | 220 | 50 |

1. При соединении потребителей треугольником выполняется соотношение:

2. Определить сопротивление емкостного элемента в фазе АВ:

3. Определить сопротивление индуктивного элемента в фазе ВС:

4. Определить полное сопротивление фазы ВС:

5. Определить фазные токи:



6. Определить активную мощность фаз:




7. Определить реактивную мощность фаз:




8. Определить полную мощность трехфазной цепи:

Практическая работа №5
«Расчет машин постоянного тока»
Цель:закрепить знания методов расчета параметров работы машин постоянного тока.
Теоретические сведения
Машина постоянного тока —электрическая машина, предназначенная для преобразования механической энергии в электрическую постоянного тока (генератор) или для обратного преобразования (двигатель). Любая электрическая машина обладает свойством обратимости, т.е. может работать в режиме генератора или двигателя. Если к зажимам приведенного во вращение якоря генератора присоединить сопротивление нагрузки, то под действием ЭДС якорной обмотки в цепи возникает ток

где U - напряжение на зажимах генератора;
Rя - сопротивление обмотки якоря.
Номинальный ток генератора определяется из соотношения:

Ток обмотки якоря составляет разницу между номинальным током и током обмотки возбуждения:

Электрические потери в обмотках:
якоря

возбуждения

Сумма потерь при номинальной нагрузке:

Механические и магнитные потери:

Добавочные потери - это трудно учитываемые потери, их принимают равными 1% от подводимой мощности двигателя.
Ток в цепи нагрузки при максимальном КПД:

Максимальный КПД:

Задание
Для двигателя постоянного тока с параллельным возбуждением определить сумму потерь, потери электрические, дополнительные и магнитные, ток при максимальном КПД, максимальный КПД.
Вариант | U,B | Iн,A | Rя, Ом | Rв, Ом | η, % |
1 | 127 | 51,5 | 0,24 | 61 | 82 |
2 | 220 | 43 | 0,15 | 60 | 84 |
3 | 220 | 61 | 0,63 | 61 | 82 |
4 | 127 | 42,5 | 0,24 | 60 | 79 |
5 | 220 | 62 | 0,37 | 61 | 88 |
6 | 220 | 48,5 | 0,18 | 62 | 77 |
7 | 220 | 59 | 0,46 | 61 | 68 |
8 | 127 | 44 | 0,22 | 62 | 83 |
9 | 127 | 56,5 | 0,41 | 60 | 73 |
10 | 220 | 47 | 0,23 | 60 | 82 |
Порядок выполнения расчета
Вариант | U,B | Iн,A | Rя, Ом | Rв, Ом | nн, об/мин | η, % |
1 | 110 | 50,5 | 0,21 | 62 | 1000 | 81 |
Найти мощность, потребляемую двигателем при номинальной нагрузке:

Найти номинальную мощность на валу двигателя:

Найти сумму потерь при номинальной нагрузке:

Найти ток обмотки возбуждения:

Найти ток обмотки якоря:

Найти электрические потери в цепи якоря и обмотке возбуждения при номинальной нагрузке:

Найти добавочные потери, которые составят 1% от номинальной мощности:

Найти механические и магнитные потери:

Найти ток в цепи нагрузки при максимальном КПД:

Найти максимальный КПД:

Чтобы оставлять комментарии, вам необходимо авторизоваться на сайте. Если у вас еще нет учетной записи на нашем сайте, предлагаем зарегистрироваться. Это займет не более 5 минут.